Transformatoare
- Exista la ora actuala in comert - chiar la preturi
destul de accesibile - numeroase tipuri de transformatoare prevazute prin constructie
cu infasurari duble identice in primar si/sau in secundar. Conform destinatiei
initiale a transformatorului, aceste infasurari duble identice (acelasi tip
de conductor, acelasi sens de bobinare si acelasi numar de spire) serveau, in
primar, la comutarea manuala de la alimentarea cu 110 Vc.a. la cea cu 220 Vc.a,
si viceversa (pentru 110 V infasurarile identice se conectau in paralel, in
acelasi sens, iar pentru 220 V in serie, in acelasi sens), respectiv, in secundar,
la realizarea unor alimentatoare diferentiale sau la redresarea bialternanta
cu priza mediana, folosind doua diode in loc de patru. Stati ca urmeaza...
-
- Evident, un astfel de transformator este mult
mai ,,valoros" , pentru constructorul amator, "oferindu-i acestuia posibilitati
multiple de utilizare, trecerea de la una la alta putandu-se face prin simple
comutari, fara dezlipirea si relipirea terminalelor. Doua astfel de exemple
sunt sugerate in continuare constructorilor incepatori, nu inainte insa de
a le atrage atentia ca este absolut obligatoriu sa identifice in prealabil
- dupa schema insotitoare a transformatorului sau prin testari experimentale
- inceputurile si, implicit, sfarsiturile tuturor perechilor de infasurari
identice, raportate la sensul comun de bobinare convenit.
-
- Tocmai pentru ca ne adresam aici constructorilor
incepatori, vom analiza pe scurt de ce este aceasta conditie strict obligatorie
si cum poate fi abordata cu mijloace simple respectiva identificare.
-
- De exemplu, sa presupunem ca am procurat un transformator
cu infasurari duble identice in primar si in secundar, conform schemei din figura
1. Fabricantul ne precizeaza tensiunile, ne indica infasurarile primare si,
respectiv, secundare (pe care, oricum, le-am putea identifica usor dupa diametrele
conductoarelor conectate la terminale), dar nu a marcat inceputurile bobinajelor
raportate la sensul comun de bobinare.
-

- Pentru a vedea mai usor ce-i de facut si ce
se poate intampla in cazul unei conectari gresite, sa presupunem ca in primar
infasurarile identice, in acelasi sens, sunt in realitate ca in figura
2, unde inceputurile au fost marcate cu un punct, adica L11 are borna
1 inceput si borna 2 sfarsit, iar L12 are 3 - inceput, 4 - sfarsit, in raport
cu sensul comun de bobinare. Desigur, la fel de bine se poate lucra cu transformatorul
si cu celalalt sens (opus) de bobinare, caz in care inceputurile si sfarsiturile
tuturor infasurarilor se schimba reciproc intre ele (in cazul nostru, L11
va avea 1 - sfarsit, 2 -inceput, iar L12 va avea 3 -sfarsit, 4 - inceput).
Nu complicam insa analiza de fata cu cea de a doua varianta, rezultatele finale
fiind similare.
-
- Asadar, ,,sensul comun de bobinare" se poate
alege arbitrar dintre cele doua posibile. Cand situatia ne este complet necunoscuta
- ca in exemplul pe care il analizam - putem lua la intamplare una dintre infasurarile
identice si sa-i desemnam tot arbitrar, terminalele "inceput" si ,,sfarsit".

- Revenind la exemplul nostru, sa presupunem ca dorim
sa conectam cele doua infasurari primare identice in serie, pentru a putea alimenta
primarul cu 220 Vc.a. Conform observatiei de mai sus, putem lua ca sens comun
de bobinare pe acela in care infasurarea L11 are borna 1 inceput si, respectiv,
borna 2 sfarsit. Pentru a conecta pe L12 in serie cu L11, vom lasa ca inceput
al grupului serie borna 1, deci inserierea se va putea face doar in doua moduri:
fie conectand sfarsitul 2 al lui L11 cu inceputul 3 al lui L12 (varianta corecta
- figura 3a), fie conectand sfarsitul 2 al lui L11 cu sfarsitul 4 al lui L12
(varianta gresita - figura 3b).
-
- La inserierea corecta, inductantele celor
doua infasurari in acelasi sens se insumeaza, grupul serie suportand astfel
o tensiune dubla de alimentare, adica 2 x 110 V = 220 V. La inserierea gresita,
cele doua infasurari fiind in sensuri contrare, inductantele L11 si L12 ,,se
anuleaza" reciproc, mai corect spus inductanta rezultanta va fi practic
nula. Daca in acest caz gresit ( figura
3b ) vom conecta la bornele 1-3 ale ansamblului serie o tensiune alternativa,
indiferent de ce valoare, singurul element care se va opune trecerii curentului
prin grup va fi rezistenta ohmica inseriata a celor doua infasurari, de regula
foarte mica. Asadar, aplicand la bornele 1-3 tensiunea de 220 Vc.a, ne putem
astepta nu numai sa ,,sara" siguranta corespunzatoare de la tablou (sau
de la masa de lucru), dar foarte probabil si sa iasa fum din transformator
- care va ,,bazai" energic, semnalizandu-ne suprasarcina periculoasa
la care l-am supus - sau chiar sa se deterioreze infasurarile primare, in
cazul in care siguranta fuzibila aferenta suporta un timp mai indelungat suprasarcina.
-
- Similar, atunci cand dorim sa conectam in paralel
cele doua infasurari primare pentru a dubla curentul suportat de primar, implicit
puterea disponibila in secundar (bineinteles, alimentand grupul paralel din
primar cu 110 Vc.a.), este iarasi obligatoriu sa respectam sensul comun de bobinare,
mai precis sa conectam cele doua infasurari in acelasi sens - inceput la inceput
si sfarsit la sfarsit - asa cum se arata in figura 4a. In cealalta varianta,
gresita ( figura 4b ), cand infasurarile identice sunt conectate in sensuri opuse,
ne aflam iarasi in situatie periculoasa, rezultata din faptul ca infasurarile
L11 si L12, avand inductante egale dar fiind infasurate in sensuri opuse, isi
anuleaza reciproc fluxurile in miezul transformatorului. Astfel, nu numai ca
in secundar nu va fi indusa practic tensiune, dar insesi infasurarile primare
se afla in pericol major.
-
- Avem, asadar, tot interesul sa identificam in prealabil
inceputurile si sfarsiturile infasurarilor duble in raport cu sensul de bobinare
convenit. Pentru aceasta ne stau la dispozitie mai multe metode, cea mai sigura
fiind, poate, chiar identificarea ,,pe viu", cu transformatorul alimentat
intr-una din sectiuni, dar luand masuri adecvate de protectie.
-
- Referindu-ne tot la transformatorul din figura 1,
vom verifica in primul rand, cu ajutorul unui ohmmetru pus pe un domeniu mic
(100 ohm pana la 1 kohm), continuitatea tuturor infasurarilor. Astfel, intre
perechile de terminale 1-2, 3-4, 5-6 si 7-8 va trebui sa masuram, pe rand, rezistente
mici (dar nu nule!), egale doua cate doua (infasurarile identice), cele din
primar fiind, evident, mai mari (spire mai multe, conductor mai subtire). Apoi,
tot cu ohm-metrul, ne vom asigura ca toate infasurarile sunt bine izolate una
de alta (rezistenta infinita intre orice combinatie de doua borne apartinand
la doua infasurari diferite).
-
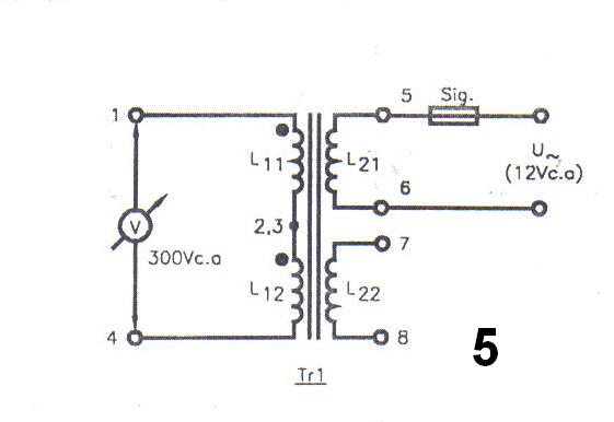
- Daca totul este in reguia, putem trece la identificarea
terminalelor, incepand, de exemplu, cu primarul. Pentru aceasta, aplicam uneia
dintre infasurarile secundare - de exemplu, lui L21, ca in figura 5 - o tensiune
alternativa U cu valoarea (eficace) de cel mult 12V. Daca alegem chiar U = 12
V, conform specificatiei producatorului, in fiecare dintre infasurarile primare
L11 si L12 va fi indusa cate o tensiune de 110V, lucru pe care il verificam
conectand pe rand, intre bornele 1-2 si, respectiv, 3-4, un voltmetru alternativ
avand 300 V la cap de scala.

- Daca iarasi totul este in regula, putem trece la inserierea
celor doua infasurari primare, pe rand, in ambele variante posibile (reprezentate
in figura 3), intre bornele libere ale grupului serie conectand, pe rand, voltmetrul
V, tot pe domeniul de 300 Vc.a. Pentru economie de spatiu, in figura 5 am reprezentat
numai varianta corecta de inseriere, conform figurii 3a, cand voltmetrul indica
circa 220 Vc.a. In cealalta varianta, gresita (conform figurii 3b), voltmetrul
va indica practic zero, deoarece tensiunile egale, dar de sens opus, induse
in cele doua infasurari primare se anuleaza prin insumare.
-
- Asadar, ne-am asigurat astfel ca terminable lui L12
(in raport cu sensul convenit pentru L11, cu 1 - inceput, 2 - sfarsit) sunt
3 - inceput, 4 - sfarsit, asa cum am dezvaluit la inceput in figura 2. Le si
marcam imediat pe transformator, prin puncte de vopsea sau alte metode concludente.
-
- Prin aceasta metoda de identificare, transformatorul
nu este pus in pericol in cazul inserierii gresite din primar, intre capetele
grupului serie fiind conectata rezistenta interna (foarte mare) a voltmetrului.
-
- Pentru orice eventualitate, totusi, este bine ca pe
parcursul unor astfel de probe ,,pe viu",curentul maxim ce poate fi absorbit
din sursa de alimentare U sa fie limitat la valori nepericuloase (de pilda,
1-2 A in secundar) cu ajutorul unei sigurante fuzibile, Sig., prevazuta de altfel
si in figura 5.
-
- Similar se poate proceda si pentru identificarea terminalelor
din secundar. Cunoscand acum situatia reala din primar, putem inseria (corect)
pe L11 si L12, alimentand apoi grupul serie cu tensiunea retelei de 220 Vc.a.
Apoi masuram, pentru verificare, cele doua tensiuni secundare separate (circa
12 V fiecare), dupa care putem trece la inserierea celor doua infasurari secundare,
pe rand, in ambele variante posibile, masurand cu un voltmetru c.a., pus pe
domeniul de 30 Vc.a., tensiunile insumate obtinute. Desigur, varianta corecta
de inseriere va fi aceea pentru care obtinem la bornele grupului serie tensiunea
de circa 24 Vc.a. Conform acestei variante marcam inceputul si sfarsitul lui
L22 in raport cu L21, pe care o putem iar lua ca referinta, atribuindu-i arbitrar
borna 5 ca inceput, respectiv 6 - sfarsit. Dupa aceasta identificare, putem
pune transformatorul nostru la,,treaba".Totusi, atunci cand intentionam
sa folosim si combinatia paralel a infasurarilor duble identice, trebuie sa
ne mai asiguram suplimentar ca ele sunt ,,suficient de identice", adica
intre numerele lor de spire nu exista diferente semnificative prin constructie.
Desigur, nu prin demontarea transformatorului, ci prin masurarea cat mai precisa
a tensiunilor duble, atunci cand se alimenteaza corespunzator cealalta sectiune
a transformatorului, intre aceste tensiuni trebuind sa nu se gaseasca diferente
semnificative, perceptibile cu un voltmetru obisnuit. In caz contrar, la conectarea
lor in paralel diferenta dintre cele doua tensiuni va debita un curent indezirabil
si chiar periculos pe rezistentele ohmice ale respectivelor infasurari, ducand
la incalzirea bobinajului chiar ,,in gol", adica in absenta unui con-sumator
la bornele grupului paralel respectiv. Este drept ca majoritatea transformatoarelor
destinate unor astfel de grupari in paralelau infasurarile identice bobinate
simultan (bifilar), deci egalitatea numerelor de spire si a rezistentelor interne
este cat se poate de bine asigurata, dar, vorba cantecului, ,,am mai vazut noi
si-alte cazuri"...
-
- In fine, spre disperarea eventualilor constructori
avansati care ne vor fi urmarit pana aici, vom mai observa ca aceste transformatoare
cu infasurari duble identice nu au intotdeauna toate bornele "libere",
ca exemplul din figura 1. Uneori infasurarile pereche au acces din exterior
la toate terminable, dar sunt facute, tot in exterior, conexiuni intre ele (serie
sau paralel), care, desigur, se pot desface fara probleme. Alteori, insa, infasurarile
duble identice sunt conectate intern in serie, la exterior fiind acces doar
la capetele grupului serie si la punctul comun de inseriere, numit priza mediana.
Evident, daca avem posibilitate de alegere, vom prefera modele cu toate terminalele
accesibile, dar, oricum, si cu un transformator cu infasurare dubla cu priza
mediana putem face mai multe decat cu unul simplu, cu infasurari unice in primar
si in secundar.
-
- Dupa aceasta introducere lunga, pe care tocmai un constructor
avansat m-a determinat, involuntar, sa o fac aici (ma rugase sa-l asist la o
identificare de terminale, nu pentru ca el n-ar sti sa o faca, dar... ca sa
fie sigur ca nu greseste!), putem trece la cele doua aplicatii simple promise.
Ele se refera la doua circuite de comutare manuala, in primar si, respectiv,
in secundar, pentru valorificarea in doua moduri diferite a unui transformator
de tipul celui din figura 1.
-
- Prima aplicatie ( figura
6a ) reprezinta un circuit de comutare serie-paralel a infasurarilor din
primar, bineinteles cu respectarea sensului comun de bobinare, pentru a putea
trece comod de la alimentarea cu 220 V la cea cu 110 V si viceversa. Este
usor de observat ca problema se rezolva cu ajutorul unui singur comutator
basculant K, echipat cu doua circuite x doua pozitii, caruia i se opereaza
o conexiune (scurtcircuit) intre doua borne extreme. De asemenea, se poate
constata usor ca montajul asigura pastrarea sensului comun de bobinare a celor
doua infasurari atat pentru legarea in paralel - figura
6 b - cand alimentarea se face cu 110 Vc.a. intre bornele A-B, cat si
pentru legarea in serie - figura 6c - in vederea alimentarii cu220 Vc.a. Desigur,
se presupune ca am identificat in prealabil inceputurile celor doua infasurari,
pe schema ele fiind marcate prin puncte.

- Cea de a doua aplicatie pro-pusa ( figura
7a ) se refera la valorificarea in doua moduri diferite a infasurarilor identice
din secundar, permitand comutarea de la redresarea in punte la redresarea
cu priza mediana si viceversa, cu artificiul avantajos de a utiliza aceeasi
punte redresoare PR in ambele moduri de lucru (complet, pentru redresarea
in punte, respectiv numai doua diode ale ei, pentru redresarea cu priza mediana).
-
- Transformatorul folosit este tot de tipul celui din
figura 1, cu pre-cizarea ca infasurarile duble din primar au fost inseriate
pentru a putea face alimentarea (intre bornele 1-4) cu tensiunea uzuala de 220
Vc.a., iar infasurarile identice din secundar au fost inseriate cu priza mediana,
renumerotand cele trei terminale care ne intere-seaza cu 5, 6 (priza mediana)
si 7.

- Cele doua moduri de lucru se selecteaza din
pozitia comutatorului K, schemele echivalente fiind prezentate in figura
7b - pentru redresarea cu priza mediana si 7 c - pentru redresarea in
punte. Remarcam ca in cazul redresarii cu priza mediana, cele doua diode neutilizate
ale puntii PR (D3 si D4) nu afecteaza cu nimic buna functionare, ele fiind
iriseriate in sensuri opuse.
-
- Nici aceasta aplicatie nu necesita comentarii, poate
doar reamintirea faptului ca fiecare din cele doua optiuni de redresare are
avantaje si dezavantaje, fiecare fiind preferabila in anumite conditii impuse
de circuitul de sarcing (Rs). Astfel, redresarea in punte este preferabila atunci
cand dorim sa obtinem tensiune mai mare in secundar (teoretic dubla, prin inserierea
celor doua infasurari), iar redresarea cu priza mediana atunci cand dorim sa
obtinem curent mai mare prin consumatorul Rs (teoretic dublu, fiecare dintre
infasurarile secundare lucrand doar pe parcursul cate unei semialternante, fapt
ce permite o "incarcare" mai mare a bobinajelor privind curentul maxim
admis per milimetru patrat de sectiune). Redresarea cu priza mediana mai are
si avantajul (destul de important in cazul tensiunilor mici) de a avea in permanenta
in serie cu consumatorul Rs cate o singura dioda in conductie, educand astfel
la jumatate caderea de tensiune pe redresor.
-
- Desigur, ambele variante pot fi completate cu condensatorul
de filtraj dorit (conectat corespunzator la bornele lui Rs), nefigurat in scheme
din considerentul simplificarii lor.
