- a) Probleme generale
- Rolul unui amplificator de putere este de a debita
in sarcina (rezistiva de obicei) puterea necesara in conditiile unui randament
cat mai bun, a unei amplificari de putere cat mai mari si al unui factor de
distorsiuni cat mai mic. Amplificatorul de putere este partea finala a unui
lant de amplificare si este compus din etajul final si etajul prefinal, acesta
din urma pregatind semnalul pentru atacul etajului prefinal.
-
- O problema importanta a etajelor finale este adaptarea
rezistentei de iesire a etajului la rezistenta de sarcina, Ro = Rs, conditie
care asigura transferul maxim de putere.
-
- b) Etaje finale in clasa A
- Avand randamente mici, aceste etaje sunt utilizate
in cazurile in care puterile sunt mici si problema randamentului nu este importanta.
In aceste etaje se poate evita apropierea punctului de functionare al tranzistorului
de zonele neliniare si se pot obtine distorsiuni foarte mici. In majoritatea
situatiilor sunt utilizate tranzistoare in conexiune emitor comun datorita amplificarii
mari de putere in aceasta conexiune.
-
- Variante de etaje finale clasa A in conexiune EC se
deosebesc prin cuplaj cu sarcina. Elementele de polarizare sunt cele de la amplificatoarele
de semnal mic.
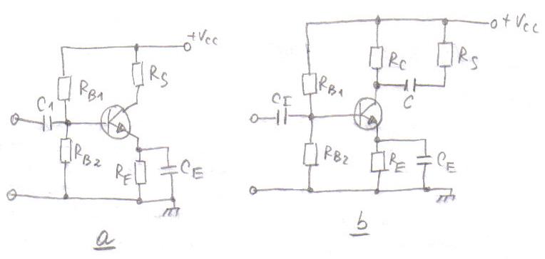
Varianta -a- are ca sarcina rezistenta de colector,
deci cuplajul este direct.Randamentul maxim al acestei scheme este de 25%. Adaptarea
de putere nu se poate face in cazul rezistentelor mici de sarcina, caz in care
se prefera conexiunea colector comun. Dezavantajul principal il constituie trecerea
prin sarcina a unui curent cu componenta continua importanta - curentul in punctul
static de functionare. -
- Acest dezavantaj este elimitat la varianta -b-, pentru
care sarcina este separata prin condensator de rezistenta de colector a tranzistorului
amplificator. Componenta continua nu circula prin Rs dar randamentul unui asemenea
scheme scade de 4 ori fata de varianta -a-. Aceste doua scheme sunt putin utilizate
din motivele aratate. Un alt dezavantaj al tuturor schemelor in clasa A pe langa
randamentul mic, il constituie consumul de putere de la sursa de tensiune continua
in pauza semnalului util ( curentul absorbit de la sursa este acelasi in pauza
sau la semnal maxim nedistorsionat). Cu toate acestea el se foloseste pe scara
larga in amplificatoarele de semnal mic.
-
- c) Etaje finale clasa B si AB
- Utilizarea tranzistoarelor in clasa B ( punctul de
functionare in origine), M1 sau AB ( punctul de functionare putin peste limita
de deschidere), M2 conduce, in primul rand, la marirea randamentului. In plus
componenta continua este practic zero si consumul de la sursa de tensiune in
pauza semnalului este foarte mic.
Adaptarea de putere pentru rezistente de sarcina de
valoare mica, in lipsa unui cuplaj prin transformator, inplica utilizarea conexiunii
CC, aceasta fiind cea mai des intalnita. Varianta elementara de amplificator
in conexiune CC, clasa B, cu un tranzistor, are schema si forma tensiunilor
in desenul e mai sus( punctat este desenata tensiunea de iesire in ipoteza neglijarii
tensiunii de deschidere a tranzistorului ). Schema nu poate fi utilizata astfel,
distorsiunile fiind inadmisibile. Tranzistorul este in regiunea activa aproximativ
jumatate din perioada semnalului. -
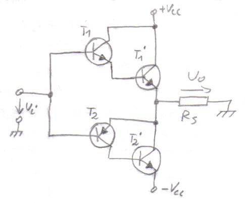
- S-a imaginat schema cu doua tranzistoare ( T1 = npn
si T2 = pnp ) din desenul de mai jos, numita in contratimp, deoarece tranzistoarele
functioneaza pe rand, umul pe semiperioada pozitiva a tensiunii de intrare,
celalalt in semiperioada negativa.

- Pentru ca forma tensiunii de iesire sa fie simetrica
( distorsiuni mici ) este necesar ca cele doua tranzistoare, unul pnp
celalalt npn, sa fie cat mai apropiate ca performante. Ele se numesc tranzistoare
complementare si sunt fabricate special.
-
- Valoarea maxima a tensiunii de iesire se obtine
atunci cand tranzistoarele T1 sau T2 sunt la saturatie, Uo max = Vcc -
Uce sat si se obisnuieste sa se introduca coeficientul subunitar K - de
utilizare al tensiunii de alimentare astfel incat Uom = K x Vcc; Uom fiind
valoarea de varf a tensiunii de iesire.

- Pentru calculul unui etaj final in contratimp clasa
B se pot deduce puterile utila, absorbita si disipata pe tranzistoare, care
vor depinde de acest coeficient ( Uom) .
-
- Curentul de varf de sarcina Iom = Uom / Rs
= K x Vcc / Rs ; aceasta valoare fiind si valoarea de varf a curentului prin
fiecare tranzistor, i1 si i2.
-
- Puterea utila de sarcina Pu = Uo x Io = (1/2)K x K x Vcc / Rs.
- Curentul absorbit de la sursa +Vcc este i1, iar de la sursa -Vcc este i2.
- Valoarea medie a curentului debitat de fiecare sursa( neglijand Ube deschis ) este It = ( 1 / pi) x Iom.
- Puterea debitate de surse ( absorbita de amplificator ) este Pa = (2 / pi) x K x Vcc x Vcc / Rs.
- Puterea disipata pe cele doua tranzistoare este diferenta dintre puterea absorbita si puterea utila.
- Puterea maxima in sarcina ( teoretic ) se obtine pentru
cazul K = 1 Pum = ( 1 / 2) Vcc x Vcc / Rs, pentru care corespunde o putere maxima
absorbita Aam = ( 2 / pi) x Vcc x Vcc / Rs.
-
- De remarcat ca maximul puterii disipate pe tranzistoare
nu se obtine pentru K = 1, deci pentru putere utila maxima. Derivand Pd2 ( puterea
disipata pe cele doua tranzistoare) in functie de K si egaland cu zero obtinem
punctul de maxim la puterii disipate pentru K = 2 / pi = 0,64, deci solicitarea
maxima a tranzistoarelor are loc pentru o tensiune de iesire egala cu 64% din
tensiunea maxim posibila. Puterea disipata maxima este Pd2m = ( 2 / pi x pi
)x Vcc x Vcc / Rs = 0,4 x Vcc x Cvv / Rs. Puterea disipata maxima depinde de
Rs, de unde rezulta ca Rs are o valoare minima, sub care tranzistoarele se distrug
si deci etajul trebuie protejat la scurtcircuite accidentale ale sarcinii. Randamentul
etajului in clasa B are maximul pentru K = 1 aproximativ K x pi / 4 adica 78,6
%. Relatiile energetice deduse sunt utilizate in proiectarea etjelor finale.
Se impune de obicei Rs si Pum, se calculeaza tensiunea de alimentare Vcc si
se aleg tranzistoarele.
-
- Alte probleme ale etajelor finale sunt: amplificarea
de putere, rezistenta de intrare, distorsiunile, cuplajul cu sarcina, atacul
etajului final. Metoda larg utilizata pentru marirea amplificarii de putere
si a rezistentei de intrare consta in folosirea tranzistoarelor compuse ( conexiune
Darlington). Ea este o schema cu doua tranzistoare T1 si T2, legate cum se arata
mai jos, curentul de colector al primului tranzistor T1 (de putere mica ) fiind
curent de baza pentru tranzistorul T2 ( de putere ). Mai poarta numele de dublet.


- Aceasta combinatie este echivalenta cu un singur tranzistor
T, cu parametii dinamici schimbati dupa cum rezulta din calculul simplificat
pe schema echivalenta. Desi creste mult factorul de amplificare in curent echivalent,
beta, fiind aproximativ produsul factorilor de amplificare ai tranzistoarelor
conexiunii, si creste de asemenea rezistenta de intrare echivalenta rpi.
-
- Utilizand tranzistoare in conexiune Darlington
se obtine schema de mai jos, care are amplificarea de putere mult marita
( ca si rezistenta de intrare ). Atat T1 si T2 cat si tranzistoarele de
putere T1 si T2 prim trebuie sa fie complementare
-
- Deoarece perechi complementare sunt mai greu
de obtinut, se utilizeaza adeseori cu tranzistoare de putere o pereche T1
si T2 prim identice si in acest caz se foloseste conexiunea Darlington cu
schimbare de polaritate (vezi mai jos). Si aceasta combinatie este echivalenta
cu un tranzistor cu parametrii dinamici schimbati, dar este compusa din tranzistoare
diferite ( in figura T1 - npn, T2 - pnp ( de putere), dau un tranzistor echivalent
npn, existand si combinatia inversa).


- Nu lipsesc calculule ale parametrilor dinamici :

- Rezistenta de intrare echivalenta pentru conexiunea Darlington cu schimbare
de polaritate nu este marita, fiind rezistenta de intrare a primului tranzistor.
O schema de etaj final cu tranzistoare de putere de acelasi tip ( npn in cazul
acesta ) arata ca in figura de mai jos.
-
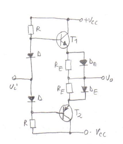
- Un etaj clasa B prezinta la iesire distorsiuni
tipice, numite de trecere si care apar la trecerea prin zero a tensiunii
de intrare. Acestea au drept cauza pozitia punctului de functionare (
pe caracteristica de intrare ) la valoarea Ube = 0 ( punctul M1 ). Curentul
iB si deci si curentul si tensiunea pe sarcina vor fi zero in intervalul
in care tensiunea de intrare este intre + sau - Ube deschis. Solutia este
mutarea punctului de functionare in M2, tranzistoarele fiind in acest
caz in clasa AB, avand un mic curent de baza de repaus.

- Mutarea punctului de functionare se poate face
prin folosirea unor diode polarizate in curent continuu si care pastreaza
o tensiune aproximativ constanta la borne, avand si valoarea dorita a
limitei de deschidere a jonctiunii BE a tranzistoarelor. Bineinteles,
utilizarea unor dubleti sau tripleti mareste corespunzator si numarul
acestor diode. Stabilitatea punctului de functionare cu temperatuta se
realizeaza obisnuit, cu adaugarea unor rezistente Re in emitoarele tranzistoarelor.
Aceste rezistente sunt insa comparabile in majoritatea situatiilor cu
rezistenta de sarcina, rezultand pierderi importante de putere pe ele.
Pentru a elimina caderea de tensiune pe ele, si a micsora rezistenta in
regim dinamic se adauga in peralel diodele De. Schema alaturata are doua
dezavantaje. In primu rand tensiunea de iesire nu poate ajunge la valori
apropiate de Vcc (teoretic Vcc - Uce sat ) datorita caderilor de tensiune
pe De, Ube, Ro care pot fi importante ( volti ). Eliminarea acestui dezavantaj
se face prin eliminarea circuitului de polarizare R, D de la surse auxiliare
( de curent mic ) cu tensiune mai ridicata, + - Va.

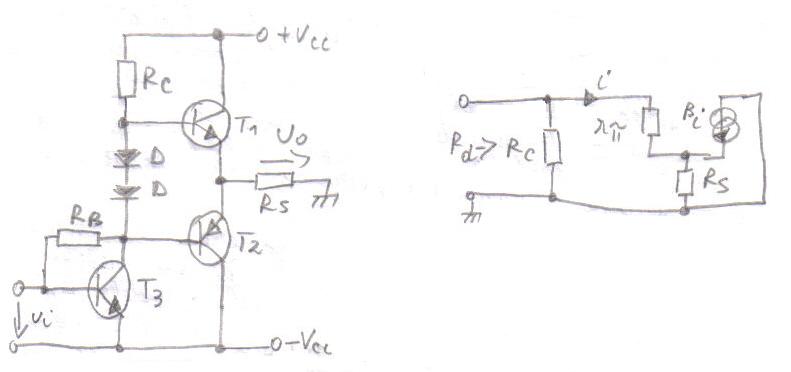
- In al doilea rand rezistentele R micsoreaza
rezistenta de intrare in etajul final, si se pot inlocui cu generatoare
de curent constant, cu rezistenta dinamica teoretic infinita. Etajul de
comanda al amplificatorului final de putere, sau etajul prefinal, este
simplu in cazul amplificatoarelor in contratimp cu tranzistoare complementare.
Acest etaj trebuie sa asigure o excursie de tensiune cat mai mare la intrarea
etajului final pentru a realiza un factor de utilizare al tensiunii de
alimentare, K, cat mai bun. Un amplificator operational este foarte potrivit
pentru comanda, asigurand si o buna simetrie.
-
- Deseori este preferata varianta mai simpla de
atac a etajului final prezentata mai jos. Dezavantajul principal al acestui
tip de etaj este acela ca micsoreaza axcursia de tensiune maxim posibila
la intrarea etajului final, datorita rezistentei dinamice finite de intrare
a etajului final care micsoreaza rezistenta dinamica de sarcina a etajului
prefinal .
-
- O solutie ar fi micsorarea rezistentei de colector,
dar in acest caz creste curentul de colector al tranzistorului T3 si scade
randamentul total al amplificatorului .

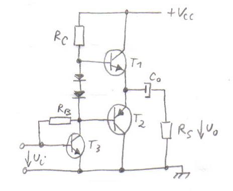
- O rezolvare eleganta a problemei o consta in
utilizarea asa numitei conexiuni boot-strap, prezentata mai jos. Rezistenta
de colector este divizata in doua rezistente Rc1 si Rc2 in asa fel incat
suma lor ramane Rc. Astfel dreapta de sarcina statica ramane aceeasi.
Punctul median este conectat la iesire printr-un condensator de valoare
suficient de mare incat sa poata fi considerat drept scurtcircuit la frecventa
minima a semnalului ce trebuie amplificat.Schema echivalenta in regim
dinamic in colectorul tranzistorului se transforma in schema de mai jos
dreapta. Rezistenta de colector nu mai apare in paralel pe intrarea in
conexiune CC a tranzistoarelor finale, o parte a ei fiind inglobata in
rezistenta de intrare a tranzistoarelor ( rpi ) si cealalta in rezistenta
de sarcina. Aceasta rezistenta dinamica poate fi facuta, fara mari probleme,
egala sau chiar mai mare decat Rc si in acest fel unghiul beta devine
egal sau mai mare decat alfa, iar Uc max = Vcc .
-
- Se poate asigura astfel o tensiune maxim posibila
pentru comanda etajului final, ceea ce duce la optimizarea factorului
de utilizare a tensiunii de alimentare, K, si a randamentului .


- Pentru amplificatoarele de putere nepretentioase
utilizarea a doua surse de alimentare este un dezavantaj . Se poate renunta
la una din surse, rolul acesteia putand fi luat de un condensator de cuplaj
cu sarcina, de valoare suficient de mare incat reactanta lui sa fie neglijabila
la frecventa minima a semnalului. Se obtine schema de mai jos :) , unde
Co este acest condensator de cuplaj, incarcat la o tensiune continua de
valoare Vcc / 2 . In sfarsit doua imbunatatiri care apar frecvent in schemele
amplificatoarelor de putere actuale . Prima priveste polarizarea bazelor
tranzistoarelor finale. Aceasta polarizare se face obisnuit cu diode.
Dezavantajul este acela ca nu se poate fixa precis curentul de repaus
al tranzistoarelor finale, iar atunci se foloseste un tranzistor ( T )
. Neglijand curentul de baza al tranzistorului T se poete scrie :
- Ube = Uce x R2 / ( R1 + R2 )
- Uce = Ube x ( 1 + R1 / R2 )

- Deci regland raportul rezistentelor R1 si R2
se poate regla Uce, fara a mari rezistenta dinamica intre bazele tranzistoarelor
finale ( la un numar corespunzator de diode ) .
- A doua priveste protectia tranzistoarelor finale
. Dupa cum am aratat : micsorarea rezistentei de sarcina pune in pericol
tranzistoarele finale prin cresterea curentului prin sarcina si corespunzator
a puterii disipate. Rp reprezinta rezistenta de protectie, in serie cu
sarcina, mai sus. Cand se atinge valoarea curentului prin sarcina
Is max = 0,6 / Rp atunci se deschide tranzistorul de protectie corespunzator
( T1 prim pentru T1 si T2 prim pentru T2 ) care deviaza surplusul din
curentul de baza al tranzistorului final limitand valoarea acestuia si
deci a curentului de sarcina .

